[충청뉴스 박동혁 기자] 상명대학교 공과대학 시스템반도체공학과 이종환 교수가 지도한 김경민(4학년), 김성겸(4학년) 학생이 한국반도체디스플레이기술학회(KSDT)에서 주최한 국제학술대회에서 최우수논문상을 수상했다.
(사)한국반도체디스플레이기술학회는 반도체와 디스플레이 분야의 재료, 공정, 소자의 최신기술을 전문적으로 다루는 학회로 약 1,000여 명의 회원을 보유하고 있다.
반도체 제조공정 및 소재·부품·장비 기술의 글로벌 경쟁력을 강화하기 위해 마련된 이번 국제학술대회는 ‘퍼스트무버가 되기 위한 제조전략’을 주제로 전 세계 15개국 600여 명의 산학연 전문가들이 참석하였으며 총 360여 편의 우수한 논문이 발표되었다.
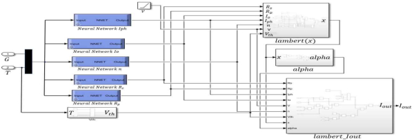
시스템반도체공학과 김경민, 김성겸 학생이 참여하여 최우수논문상을 수상한 “인공신경망을 이용한 실리콘 태양전지 전류-전압 특성 예측 모델링에 관한 연구”는 기존의 실리콘 태양전지 전류-전압 특성 예측 모델링에 인공신경망을 접목하여 예측의 정확성을 높였다는 평가를 받고 있으며 태양광 세기 및 온도에 따른 예측력이 필요한 태양광 에너지 산업의 태양전지 예측 모델에 활용될 전망이다.
지도교수인 시스템반도체공학과 이종환 교수는 “학부 연구생이 대규모 국제학술대회에서 최우수논문상을 수상하는 것은 드문 경우”라며 “학부 연구생들이 어렵게 도출한 연구 결과로 좋은 성과를 올려 기쁘다”고 말했다.
학부 연구생으로 참여한 시스템반도체공학과 김성겸 학생은 “태양전지 전류-전압 특성 예측 모델링을 위해 태양전지의 물리적 메커니즘을 이해하는 것에 많은 시간을 투자했고 이를 인공신경망에 접목하기 위해 노력했다”며 “시뮬레이션 과정에서 많은 오류가 있었지만 팀원 간의 협력과 지도교수님의 방향성 제시로 좋은 결과를 도출할 수 있었다”고 말했다.
한편 상명대 시스템반도체공학과는 스마트산업의 기반인 시스템반도체 설계 분야에서 학생들이 자기 주도적 공학문제 설계 능력을 확보하고 마이크로프로세서, 반도체 물성 및 공정, System on Chip, 비메모리 반도체 설계 등 설계 능력 분야와 음성/영상 처리, 무선통신, 네트워크, 디스플레이 등 응용 능력 분야 교육과정을 운영하고 있다.
또한 연구개발특구진흥재단에서 지원하는 과학벨트 산학연계 인력양성 사업을 주관하며 산학연 프로젝트 및 기업과 함께하는 현장 맞춤형 실무 교육으로 시스템반도체 분야의 핵심 인재를 양성하고 있다.

