충남도, "1947년부터 현재까지 한눈에" 시계열 정사영상 제작 추진
충남도, "1947년부터 현재까지 한눈에" 시계열 정사영상 제작 추진
  • 이성엽 기자
  • 승인 2022.03.07 09:59
  • 댓글 0
이 기사를 공유합니다

[충청뉴스 이성엽 기자] 충남도는 75년 전부터 현재까지 도내 국토변화 모습을 한눈에 볼 수 있도록 과거 항공사진을 디지털화하는 시계열 정사영상 제작사업’을 추진 중에 있다고 밝혔다.

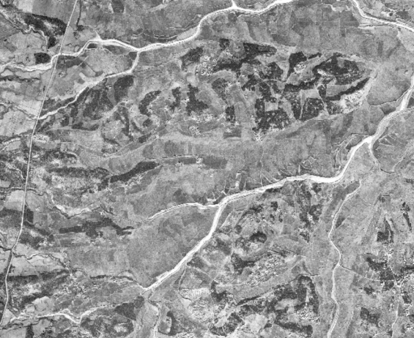
내포신도시 1966년 사진
내포신도시 1966년 사진

7일 도에 따르면 이 사업은 국토지리정보원에서 보관하고 있는 1947년부터의 아날로그 낱장 항공사진을 스캔‧보정‧항공삼각측량 등을 통해 정확한 위치 정보를 포함하는 고품질 디지털영상으로 만드는 사업이다.

도는 2018년 시계열 정사영상 관리 시스템 개발을 시작으로 2019년부터 지난해까지 공주‧보령‧예산 등 11개 시군의 사업을 완료했으며, 올해 천안과 청양, 내년 서산과 당진을 끝으로 총 1만 8176도엽 분량의 항공영상 빅데이터 구축을 완료한다.

시계열 정사영상은 국토변화의 증빙 자료로써 지적재조사‧도시계획‧인허가‧지목변경‧건축물 양성화‧전시회‧과거 토지이용 상황 등 다양한 행정업무에 활용되고 있다.

도민들에게는 고향·거주지 등의 변화모습을 확인하는 추억을 제공할 뿐만 아니라 이웃간에 점유분쟁 시 갈등 해결의 도구역할을 하는 등 다양한 용도로 활용된다.

도는 이미 구축을 완료해 활발히 사용 중인 시‧군 공무원들의 의견을 수렴해 편의성을 지속적으로 개선하고, 홍보를 확대해 활용을 촉진해 나갈 방침이다.

시계열 정사영상은 충청남도 공간정보포털(cngis.chungnam.go.kr) 지도서비스 내에 시계열 정사영상시스템에서 볼 수 있다.

고재성 토지관리과장은 “시계열 정사영상은 과거 우리 삶의 터전이 어떻게 변화했는지를 알 수 있는 역사적 보존가치가 매우 높은 빅데이터”라며 “앞으로도 고품질의 공간정보 생산·제공을 통해 행정능률 제고와 도민 삶의 질 향상에 최선을 다하겠다”고 말했다.

기사가 마음에 드셨나요?

충청뉴스 좋은 기사 후원하기


※ 소중한 후원금은 더 좋은 기사를 만드는데 쓰겠습니다.


댓글삭제
삭제한 댓글은 다시 복구할 수 없습니다.
그래도 삭제하시겠습니까?
댓글 0
댓글쓰기
계정을 선택하시면 로그인·계정인증을 통해
댓글을 남기실 수 있습니다.